SUPRAVOX 215RTF Kit DIY Charge TQWT

Aucun avis client pour le moment, connectez-vous pour en laisser un !

En achetant ce produit vous obtenez 50 points de fidélité


Prévenez-moi lorsque le produit sera disponible !
Référence : 760
Nouveau produit

509,00 €TTC

424,17 € HT
dont 0,30 € d'éco-participation
 
Produit définitivement arrêté
Livraions depuis la france
 
Livraison depuis la france Livraison depuis la france Livraison depuis la france

Livraison depuis la France
Facturation France
SAV France

Garantie 2 ans
 
Informations

Kit d' enceintes DIY Supravox basé sur le haut-parleur 215RTF
Charge TQWT

Ce type de charge est un résonateur 1/4 d'onde replié. Très efficaces pour un montage de haut parleurs en large bande. Ces colonnes offrent une très bonne efficacité dans la reproduction des grave avec plus de précision et moins de "bruit de boîte" que des colonnes Bass Reflex.
 

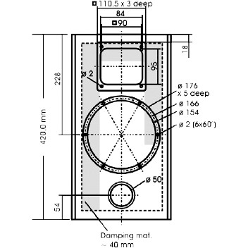
Le plan de montage ci dessous est une suggestion.
Le prix comprend uniquement les haut-parleurs.

Supravox 215RTF Kit DIY Charge TQWT

 
Téléchargement

Supravox 215RTF Charge TQWT

Schéma cotations Kit DIY Supravox 215RTF Charge TQWT.

Téléchargement (143.31k)
 
Livraison

Nous livrons la France entière, et à l'international.
Pour découvrir le montant des frais de port, il vous suffit d'aller dans votre panier une fois les produits désirés ajoutés.
Pour découvrir nos différents services et options de livraison, cliquez sur les logos suivants :

Seuls les utilisateurs enregistrés peuvent poster un avis. Connectez-vous ou créez un compte .

Aucun avis pour le moment.

 

Ecrire un avis !


*



Aucun produit

To be determined Frais de port
0,00 € Dont TVA
0,00 € Total

Les prix sont TTC

Aller au panier