SUPRAVOX 285GMF Kit DIY Charge symétrique

Aucun avis client pour le moment, connectez-vous pour en laisser un !

En achetant ce produit vous obtenez 29 points de fidélité


Prévenez-moi lorsque le produit sera disponible !
Référence : 750
Nouveau produit

299,00 €TTC

249,17 € HT
dont 0,30 € d'éco-participation
 
Produit définitivement arrêté
Livraions depuis la france
 
Livraison depuis la france Livraison depuis la france Livraison depuis la france

Livraison depuis la France
Facturation France
SAV France

Garantie 2 ans
 
Informations

Kit DIY Supravox basé sur le haut-parleur 285GMF.
Montage en charge symétrique.

Caissons de grave pour 285 GMF (40 à 190Hz) ou 400 GN-B (23 à 155Hz), pour un système triphonique ou home cinéma. Nous conseillons de les utiliser avec les modules d'amplifications S120 ( pour le 285) et S230 ( pour le 400 )
Complément idéal de petites charges Bass Reflex ou close pour une fréquence de coupure entre 80 et 120 Hz.

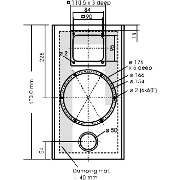
Le plan de montage ci dessous est une suggestion.
Le prix comprend uniquement les haut-parleurs.

 

Supravox 285GMF Kit DIY Charge Symétrique


Supravox 285GMF Kit DIY Charge Symétrique

 
Téléchargement

Supravox 285GMF Charge Sym.

Schéma cotations Kit DIY Supravox 285GMF Charge Symétrique.

Téléchargement (142.63k)
 
Livraison

Nous livrons la France entière, et à l'international.
Pour découvrir le montant des frais de port, il vous suffit d'aller dans votre panier une fois les produits désirés ajoutés.
Pour découvrir nos différents services et options de livraison, cliquez sur les logos suivants :

Seuls les utilisateurs enregistrés peuvent poster un avis. Connectez-vous ou créez un compte .

Aucun avis pour le moment.

 

Ecrire un avis !


*



Aucun produit

To be determined Frais de port
0,00 € Dont TVA
0,00 € Total

Les prix sont TTC

Aller au panier