Intégrité de la source réduction du jitter Utiliser sur deux parfums différents: SMSL(akm) et Audio-gd(wm8741) pour le casque. L'étage en terme de gain est tout...
Câbles remarquables. Branchés sur mon Drive CD Atoll 400 SE, les détails et la précision des timbres sont remarquables. Câbles étonnants, à brancher...
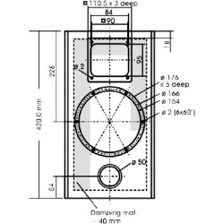
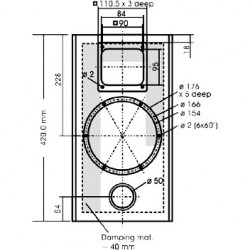
With the 215 Héritage, Supravox offers a new French high-fidelity loudspeaker, in the tradition of the famous T 215 SRTF, an essential reference from the 1960s to the 1980s. With this model, the brand perpetuates and develops this standard of sound quality by improving its performance. Each loudspeaker (100% of the production) is measured individually in...
This bundle allows you to acquire two Supravox 400-2000 speakers for the design of Jensen or bass reflex stereo speakers.Fast, dynamic and particularly melodic, the Supravox loudspeakers are ideals for connecting from 500Hz onwards with high-pitched midrange loudspeakers such as high quality compression chambers.
Supravox's 400-2000 EXC is a woofer that takes the membrane of the 400-2000 and combines it with a powerful electromagnetic motor to offer the possibility of adjusting its parameters. The 400-2000 EXC is adaptable to a wide range of loudspeakers, and requires an external power supply between 9V and 15V for 3A.